Оригинальные каталоги
Масла и жидкости
Масла моторные
Масла трансмиссионные
Жидкости гидравлические
Жидкости охлаждающие
Жидкости тормозные
Масла гидравлические
Масла для вилок и амортизаторов
Масла компрессорные
Жидкости для стекол
Масла для цепей бензопил
Масла индустриальные
Масла промывочные
Раствор мочевины AdBlue
Автоэлектроника
Видеорегистраторы
Пылесосы автомобильные
FM трансмиттеры
Зарядные устройства
Разветвители, удлинители прикуривателя
Кабели
Вентиляторы автомобильные
Штекер прикуривателя
Датчик парктроника
Камеры заднего вида
Мониторы парковочные
Парктроники
Термометры
Накидки на сиденье с подогревом
Автохолодильники
Антирадары
Диагностический сканер
Аксессуары
Набор автомобилиста
Ароматизаторы
Тросы буксировочные
Канистры
Ремни крепления груза
Стяжки-резинки крепления
Сетки для крепления груза
Скотч
Влажные салфетки
Держатели телефонов, планшетов
Карты памяти
Наушники
Аккумулятор холода
Термосумки и контейнеры
Фонарики
Батарейки
Оплетки на руль
Огнетушители
Салфетки, полотенца, варежки
Инструмент
Домкраты
Компрессоры
Манометры
Насосы
Светильники переносные
Шарнирно-губцевый инструмент
Ударный инструмент
Метчики. Плашки
Заклёпочники
Заклёпки
Измерительный инструмент
Свёрла
Отвёртки
Изолента
Надфили. Напильники
Ножи, ножовки
Щётки
Абразивная бумага
Специнструмент
Ключи
Хомуты
Дрель-шуруповерт
Автохимия
Присадки
Промывки
Очистители
Смазки спрей
Смазки пластичные
Герметики
Средство для рук
Клей
Лакокрасочные материалы
Автошампуни
Полироли
Антифриз для тормозной системы
Масло для пропитки фильтров
Антикоррозионные составы
Прочее
Электрооборудование
Зарядные устройства
Инверторы
Конвертеры
Звуковые сигналы
Провода прикуривания
Предохранители
Противотуманные фары
Дневные ходовые огни
Электрика фаркопа
Шины и диски
Автошины
Грузовые шины
Мотошины
Камеры
Мотокамеры
Лента обода шины
Колпаки
Диски
Одежда и экипировка
Жилеты
Запчасти
Аккумуляторы
Лампы
Щетки стеклоочистителя
Гофры глушителя
Велотовары
Велосипеды
Самокаты
Велокамеры
Искать по VIN или номеру детали
Поиск по штрих-коду
Искать по VIN-номеру
Войти
Авторизация
Логин
Пароль
Напомнить пароль
Запомнить
Войти
Зарегистрироваться
Авторизоваться другим способом
Востановить пароль
Введите ваш email:
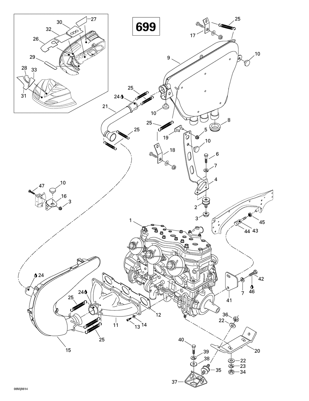
01- Engine Support And Muffler (699)
Корзина пуста
SKI-DOO
Formula III 600 R/700 R
Formula III 600 R/700 R
01- Engine Support And Muffler (699)
№
Наименование
Примечание
Кол-во
2
TAMPON ANCRAGE *MOUNT-RUBBER Formula 500. Formula 500 Deluxe.
2
3
HEX. FLANGED ELASTIC NUT M8 (10.000 per pack)
3
5
HEX. FLANGED ELASTIC NUT M6 (10.000 per pack)
2
7
WASHER-LOCK DIN.127B Formula Deluxe 380. (50.000 per pack)
3
10
RUBBER BUMPER SUV 550 (2.000 per pack)
4
12
JOINT *GASKET GT 700.
1
13
SOCKET HEAD SCREW M6 X 25 GT SE. GT SE Millennium Edition. (10.000 per pack)
12
14
WASHER-LOCK BLACK DIN.127B (10.000 per pack)
12
18
SPRING BRACKET
1
22
FLAT WASHER 10 MM (10.000 per pack)
8
23
WASHER-LOCK SPRING DIN.128A-A2 (10.000 per pack)
4
24
SEALANT LOCTITE 80 ML Grand Touring 500. Grand Touring 600.
0
25
Spring
9
34
HEX. NUT M10 (10.000 per pack)
4
35
RUBBER MOUNT
4
36
ELASTIC LOCKING NUT M10 Formula DLX 500 LC. (10.000 per pack)
4
37
ENGINE SUPPORT
4
38
RONDELLE-FREIN *WASHER-LOCK (5.000 per pack)
4
40
HEX. SCREW M10 X 25 (10.000 per pack)
4
41
PLAQUE BUTEE *PLATE STOPPER
1
42
HEX. SCREW M8 X 16 (10.000 per pack)
1
43
VIS DE BUTEE *SCREW-STOPPER
1
44
BUTEE *STOPPER
1
45
HEX. NUT M12 (10.000 per pack)
1
46
LOCTITE 271 10 ML
0
47
HEX. SCREW M8 X 50 (10.000 per pack)
1