| № | Наименование | Примечание | Кол-во |
|---|---|---|---|
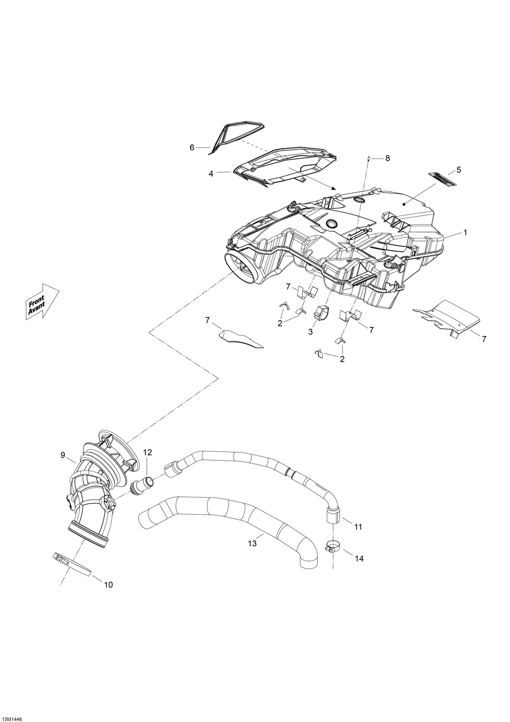
| 1 | SECONDAIRE CHAMBER ASS Y Includes 1 to 6 | 1 | |
| 2 | STOPPER | 4 | |
| 3 | VELCRO STRIP | 4 | |
| 4 | ADAPTOR | 1 | |
| 5 | CAUTION LABEL AIR INTAKE | 1 | |
| 6 | AIR FILTER | 1 | |
| 7 | HEAT SHIELD | 1 | |
| 8 | CAP | 1 | |
| 9 | HOSE-INTAKE | 1 | |
| 10 | GEMI CLAMP | 1 | |
| 11 | FORMED VENT HOSE | 1 | |
| 12 | Breather | 1 | |
| 13 | TUBE ISOLATOR | 1 | |
| 14 | Tridon Gear Clamp | 1 |
