| № | Наименование | Примечание | Кол-во |
|---|---|---|---|
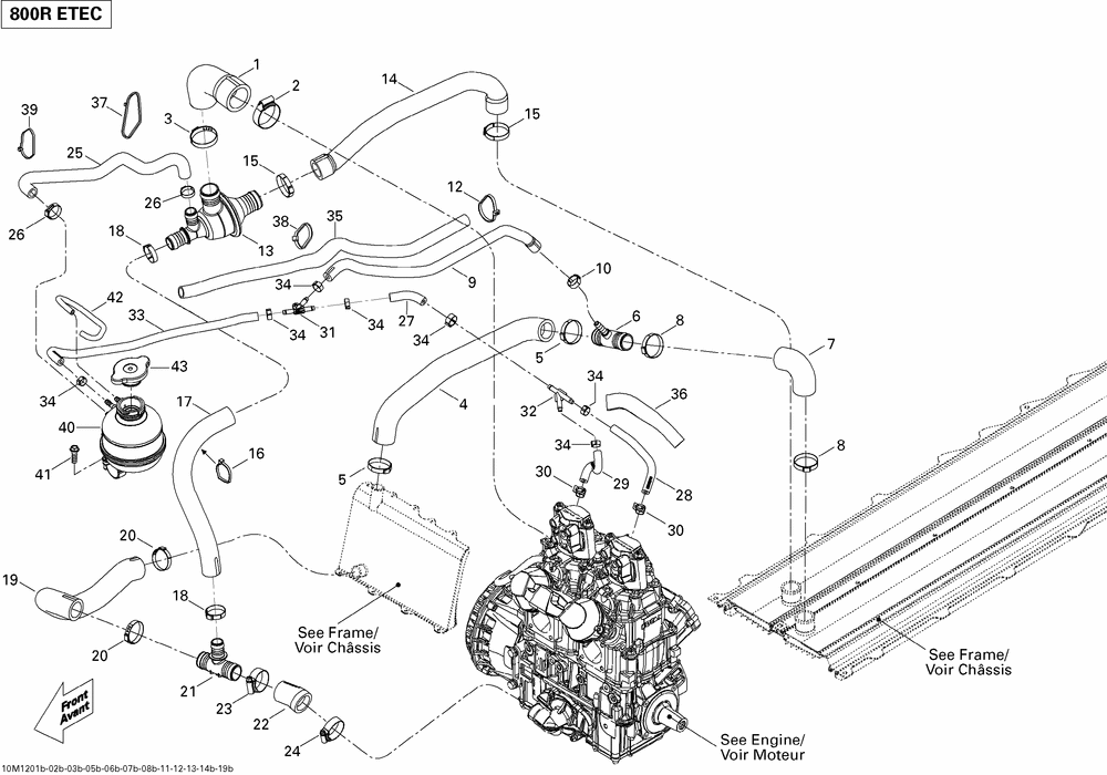
| 1 | ENGINE OUTLET HOSE | 1 | |
| 2 | ABA GEAR CLAMP | 1 | |
| 3 | Oetiker Gear Clamp | 1 | |
| 4 | RADIATOR HOSE | 1 | |
| 6 | T-FITTING | 1 | |
| 7 | RADIATOR HOSE | 1 | |
| 9 | BLEEDER HOSE | 1 | |
| 10 | Crimp Clamp | 1 | |
| 12 | Tie-Rap 180 mm | 1 | |
| 13 | THERMOSTAT HOUSING | 1 | |
| 14 | THERMOSTAT OUTLET HOSE | 1 | |
| 16 | Tie-Rap 350 mm | 1 | |
| 17 | BYPASS HOSE | 1 | |
| 18 | Crimp Clamp | 2 | |
| 19 | RADIATOR HOSE | 1 | |
| 21 | T-FITTING | 1 | |
| 22 | ENGINE INLET HOSE 800R E-TEC | 1 | |
| 25 | FILLING HOSE 800R ETEC Except GSX | 1 | |
| 26 | Oetiker Gear Clamp | 2 | |
| 27 | BOYAU *HOSE | 1 | |
| 28 | BLEEDER HOSE | 1 | |
| 29 | BLEEDER HOSE | 1 | |
| 30 | NORMA SPRING CLAMP (2.000 per pack) | 2 | |
| 31 | Y-FITTING | 1 | |
| 32 | Y-FITTING | 1 | |
| 33 | BLEEDER HOSE 800R ETEC Except GSX | 1 | |
| 34 | Oetiker Clamp | 7 | |
| 35 | Tubing 16 mm | 1 | |
| 36 | PROTECTOR TUBE 16 MM | 1 | |
| 40 | COOLANT TANK | 1 | |
| 41 | HEX. FLANGED SCREW K50 X 16 (5.000 per pack) | 1 | |
| 42 | POLYURETHANE HOSE 5.2 MM (30.000 per pack) | 1 | |
| 43 | Pressure Cap | 1 |
