| № | Наименование | Примечание | Кол-во |
|---|---|---|---|
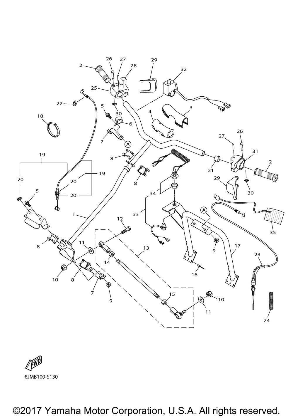
| 1 | COLUMN STEERING-PTD | 1 | |
| 2 | GRIP | 2 | |
| 3 | COVER HANDLEBAR PAD | 1 | |
| 4 | PAD HANDLEBAR | 1 | |
| 5 | SCREWCAP-HFH 1/4-20 (10 per pack) | 4 | |
| 6 | CLAMP 2 | 1 | |
| 7 | BRKT STEERING SUPPO | 2 | |
| 8 | BEARING STEERING | 4 | |
| 9 | NUT FLG. LOCKING (10 per pack) | 4 | |
| 10 | NUTFLEX-LOC 5/16-24 (5 per pack) | 4 | |
| 11 | WASHERFLAT-5/16X.68 (10 per pack) | 4 | |
| 12 | SCREWCAP-HH5/16-24X (5 per pack) | 2 | |
| 13 | TIE ROD ASSY - 06 F | 2 | |
| 14 | NUTHEX JAM 5/16-24 LH THREAD (5 per pack) | 1 | |
| 15 | NUTHEX-JAM 5/16-24 RH THREAD (2 per pack) | 1 | |
| 16 | RIVET 5 UN (10 per pack) | 10 | |
| 17 | SUPPORT STEERING-PT | 1 | |
| 18 | TIE CABLE-8.5/7.5/7 (8 INCH) UR UN (10 per pack) | 1 | |
| 19 | CABLE THROTTLE (12 | 1 | |
| 20 | WASHERLOCK-1/4 EXT (5 per pack) | 3 | |
| 21 | NUT (2 per pack) | 2 | |
| 22 | RING RETAINING (5 per pack) | 1 | |
| 23 | CABLEBRAKE | 1 | |
| 24 | SPRING BRAKE RETURN | 1 | |
| 25 | HOUSING THROTTLE CO | 1 | |
| 26 | PIN 1/4D X 1 5/8 | 2 | |
| 27 | PINSPRING-3/16X1-1/ (5 per pack) | 2 | |
| 28 | DECALSWITCH-EMERGEN | 1 | |
| 29 | LEVER CONTROL | 2 | |
| 31 | HOUSING BRAKE CONTR | 1 | |
| 32 | SWITCH STOP-ENGINE | 1 | |
| 33 | STOP SWITCH ASSY | 1 | |
| 34 | CORD TETHER SWITCH | 1 | |
| 35 | GRIPWARMER | 2 |
