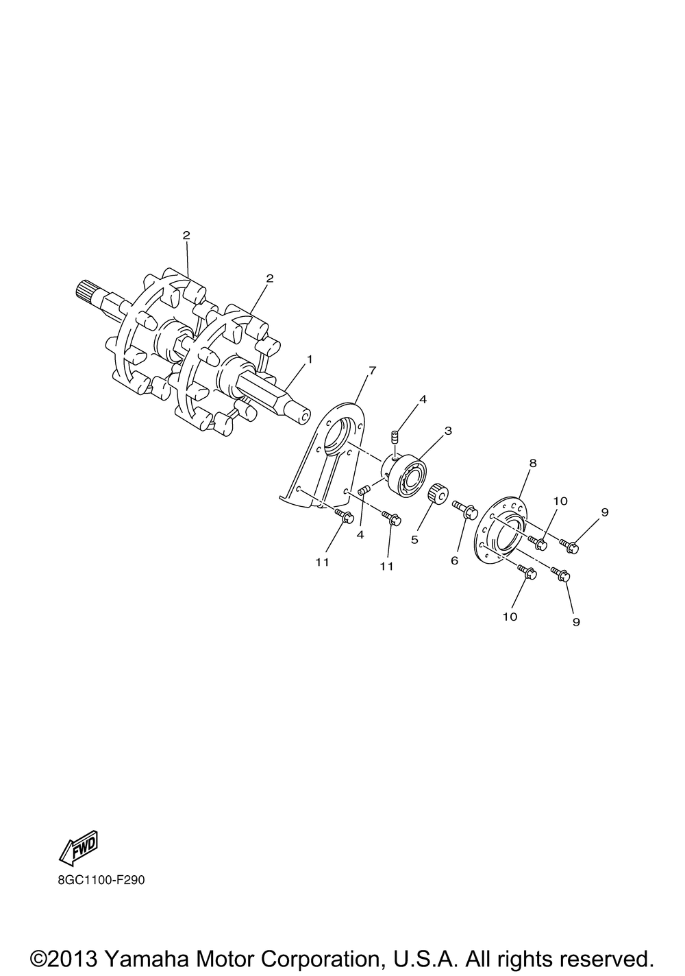
| № | Наименование | Примечание | Кол-во |
|---|---|---|---|
| 1 | AXLE FRONT | 1 | |
| 2 | WHEEL SPROCKET 1 | 2 | |
| 3 | BEARING (8CJ) | 1 | |
| 4 | BOLT SET | 2 | |
| 5 | JOINT | 1 | |
| 6 | BOLTFLANGE (3GD) | 1 | |
| 7 | HOUSING REINF SUB-A (L.H) | 1 | |
| 8 | HOUSING FRONT AXLE | 1 | |
| 9 | BOLT FLANGE | 2 | |
| 10 | BOLTFLANGE(8AB) | 2 | |
| 11 | BOLTFLANGE(4LN) | 2 |
| Корзина пуста |
| № | Наименование | Примечание | Кол-во |
|---|---|---|---|
| 1 | AXLE FRONT | 1 | |
| 2 | WHEEL SPROCKET 1 | 2 | |
| 3 | BEARING (8CJ) | 1 | |
| 4 | BOLT SET | 2 | |
| 5 | JOINT | 1 | |
| 6 | BOLTFLANGE (3GD) | 1 | |
| 7 | HOUSING REINF SUB-A (L.H) | 1 | |
| 8 | HOUSING FRONT AXLE | 1 | |
| 9 | BOLT FLANGE | 2 | |
| 10 | BOLTFLANGE(8AB) | 2 | |
| 11 | BOLTFLANGE(4LN) | 2 |