| № | Наименование | Примечание | Кол-во |
|---|---|---|---|
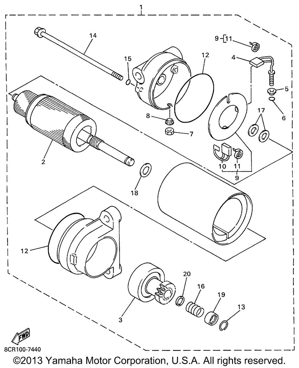
| 1 | STARTING MOTOR ASSY AP | 1 | |
| 2 | ARMATURE ASSY | 1 | |
| 3 | CLUTCH OVER RUN | 1 | |
| 4 | BRUSH 1 | 1 | |
| 5 | GROMMET | 1 | |
| 6 | O-RING | 1 | |
| 7 | NUTSPECIAL | 1 | |
| 8 | GROMMET | 1 | |
| 9 | BRUSH HOLDER ASY | 1 | |
| 10 | BRUSH | 1 | |
| 11 | SPRINGBRUSH | 2 | |
| 12 | GASKET | 2 | |
| 13 | RING | 1 | |
| 14 | BOLT | 2 | |
| 15 | O-RING | 2 | |
| 16 | SPRING LEVER | 1 | |
| 17 | SPRING LEVER | 2 | |
| 18 | WASHER | 1 | |
| 19 | RING STOP | 1 | |
| 20 | WASHER PLATE | 1 |
