| № | Наименование | Примечание | Кол-во |
|---|---|---|---|
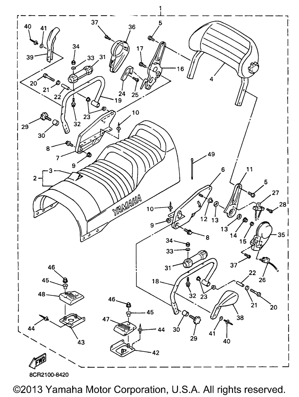
| 1 | SEMI-DOBULE SEAT ASS (DX) AP | 1 | |
| 2 | DOUBLE SEAT ASSY | 1 | |
| 3 | COVER SEAT | 1 | |
| 4 | SEAT BACK ASSY | 1 | |
| 5 | BOLT BUTTON HEAD | 4 | |
| 6 | STAY FRONT 1 (USA) | 1 | |
| 7 | STAY FRONT 2 (USA) | 1 | |
| 8 | BOLTFLANGE | 4 | |
| 9 | Гайка с фланцем | 4 | |
| 10 | RIVETBLIND (4.7X16.4 BLACK) | 8 | |
| 11 | ARM 2 | 1 | |
| 12 | COLLAR | 1 | |
| 13 | WASHER PLATE | 2 | |
| 15 | NUTHEX SMALL | 1 | |
| 16 | SEAT LEVER ASSY | 1 | |
| 17 | BOLT HEXAGON | 2 | |
| 18 | BRACKET ASSIST GR | 1 | |
| 19 | BRACKET ASSIST GR | 1 | |
| 20 | BOLT BUTTON HEAD | 2 | |
| 21 | WASHERPLATE | 2 | |
| 22 | COLLAR | 2 | |
| 23 | COLLAR | 4 | |
| 24 | LEVER SEAT | 1 | |
| 25 | SCREW TAPPING | 1 | |
| 26 | SEAT SWITCH (USA) | 1 | |
| 27 | RESISTOR ASSY (USA) | 1 | |
| 28 | BOLT SOCKET | 1 | |
| 29 | BODY SEAT LOCK | 2 | |
| 30 | DAMPERSEAT | 2 | |
| 31 | ASSISTGRIP (USA) | 2 | |
| 32 | BOLTFLANGE | 4 | |
| 33 | WASHER (6TA) | 4 | |
| 34 | NUT(4MY) | 4 | |
| 35 | COVER | 1 | |
| 36 | COVER2 | 1 | |
| 37 | SCREW TRUSS | 4 | |
| 38 | PROTECTOR1 | 1 | |
| 39 | PROTECTOR2 | 1 | |
| 40 | RIVETBLIND (4.8X18.7 BLACK) | 4 | |
| 41 | WASHERPLAIN (3GD) | 4 | |
| 42 | FOOTRESTREAR 1 | 1 | |
| 43 | FOOTRESTREAR 2 | 1 | |
| 44 | RIVET BLIND | 8 | |
| 45 | .COLLAR | 4 | |
| 46 | NUTCROWN (5 per pack) | 4 | |
| 47 | FOOTREST REAR 1 | 1 | |
| 48 | FOOTREST REAR 2 | 1 | |
| 49 | Хомут | 2 |
