| № | Наименование | Примечание | Кол-во |
|---|---|---|---|
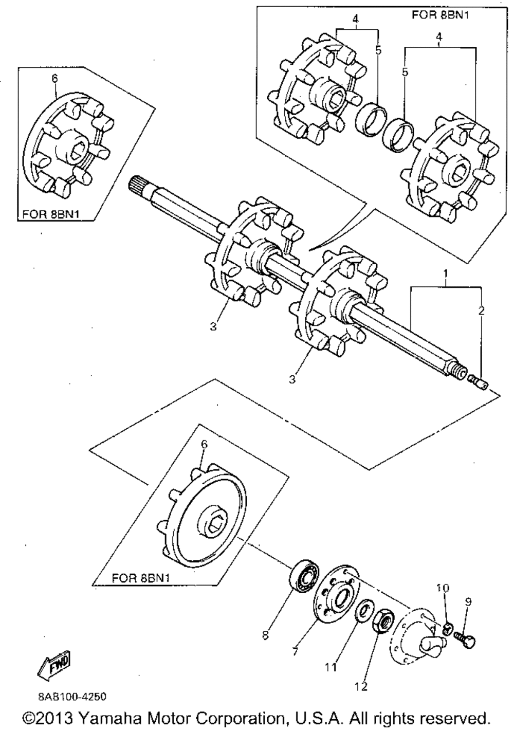
| 1 | AXLEFRONT | 1 | |
| 1 | AXLE FRONT | 1 | |
| 2 | CONNECTOR | 1 | |
| 3 | WHEELSPROCKET 1 | 2 | |
| 3 | WHEELSPROCKET 1 | 2 | |
| 4 | WHEELSPROCKET 1 | 2 | |
| 5 | . .COLLAR | 2 | |
| 6 | WHEELSPROCKET 2 | 2 | |
| 6 | WHEELSPROCKET 1 VT600C | 1 | |
| 7 | HOUSINGFRONT AXLE | 1 | |
| 8 | BEARING (89A) | 1 | |
| 9 | BOLT | 3 | |
| 10 | WASHER (JN5) | 3 | |
| 11 | WASHERCONICAL SPR | 1 | |
| 12 | NUTHEXAGON | 1 |
