| № | Наименование | Примечание | Кол-во |
|---|---|---|---|
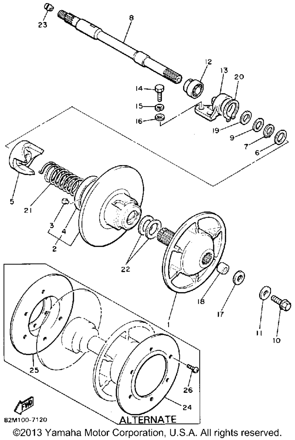
| 1 | SEC. FIXED SHEAVE | 1 | |
| 2 | SEC.SLIDING SHEAVE | 1 | |
| 3 | SHOERAMP | 3 | |
| 4 | BUSHSOLID | 1 | |
| 5 | SEATSEC SPRING 45 URSTD | 1 | |
| 6 | WASHERPLATE | 1 | |
| 7 | CIRCLIPOUTER | 1 | |
| 8 | SHAFTSECONDARY | 1 | |
| 9 | WASHERPLATE (T2.0) (USA) | 1 | |
| 9 | WASHERPLATE (T1.0) UN | 1 | |
| 10 | BOLTWASHER BASED (USA) | 1 | |
| 11 | WASHERPLATE | 1 | |
| 12 | BEARING | 1 | |
| 13 | HOUSING BEARING (USA) | 1 | |
| 14 | BOLTHEXAGON | 4 | |
| 15 | WASHERSPRING | 4 | |
| 16 | WASHER (5 per pack) | 4 | |
| 17 | WASHERPLATE (T=1.0) | 1 | |
| 18 | COLLAR (USA) | 1 | |
| 19 | WASHERPLATE (T=0.5) UN | 1 | |
| 19 | WASHERPLATE (T0.5) UN | 1 | |
| 20 | CIRCLIP | 1 | |
| 21 | SPRINGTORSION UR | 1 | |
| 22 | WASHERPLATE | 2 | |
| 23 | PLUGOIL | 1 | |
| 24 | PLATE 1 | 1 | |
| 25 | PLATE 2 | 1 | |
| 26 | SCREWPANHEAD(JN2 | 1 |
