| № | Наименование | Примечание | Кол-во |
|---|---|---|---|
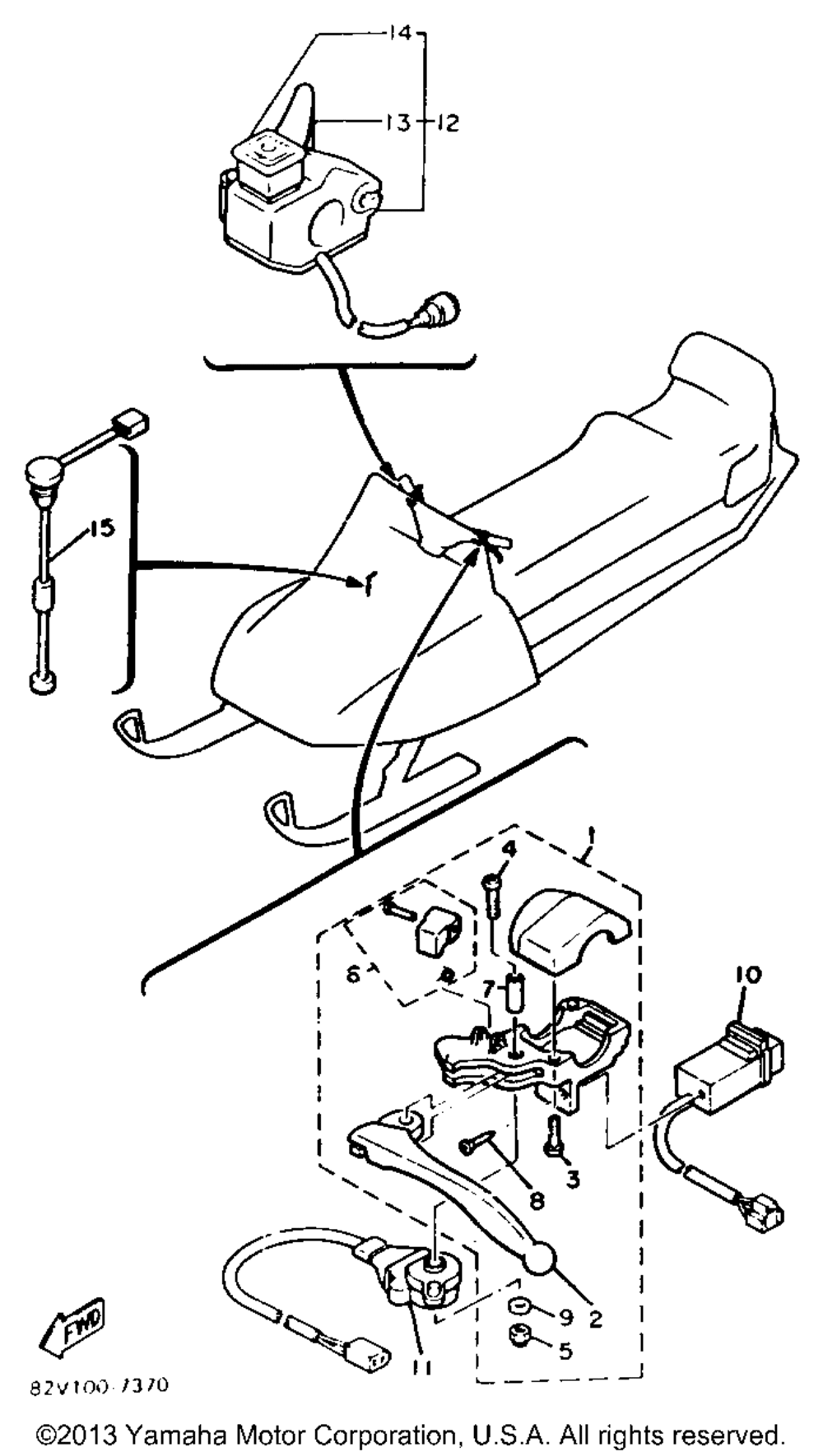
| 1 | LEVER HOLDER ASY L (LEFT) | 1 | |
| 2 | LEVER L | 1 | |
| 3 | . .SCREW PAN HEAD | 2 | |
| 4 | SCREW PAN HEAD | 1 | |
| 5 | NUT FLANGE (4GB) | 1 | |
| 6 | LEVER LOCK ASSY | 1 | |
| 7 | COLLARLEVER 1 | 1 | |
| 8 | SCREWTAPPING | 2 | |
| 9 | WASHER (5 per pack) | 1 | |
| 10 | BEAM SWITCH ASY | 1 | |
| 11 | STOP SWITCH ASSY | 1 | |
| 12 | LVR HOLDER ASY(RT) (RIGHT) | 1 | |
| 13 | LEVERTHROTTLE | 1 | |
| 14 | EMERGENCY SAFETYSW | 1 | |
| 15 | OIL LEVEL GAUGE ASSY | 1 |
