- Год:
- 1984
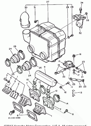
- AIR CLEANER
- AIR SHROUD - FAN
- BRAKE
- BUMPER
- CARBURETOR
- CONTROL - CABLE
- CRANKCASE
- CRANKSHAFT - PISTON
- CYLINDER
- ELECTRICAL 1
- ELECTRICAL 2
- ENGINE BRACKET
- EXHAUST
- FRAME
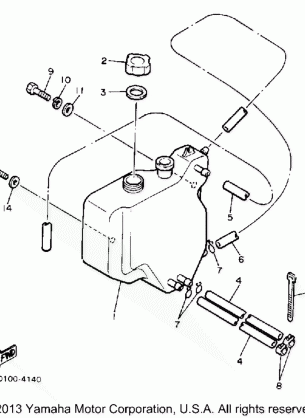
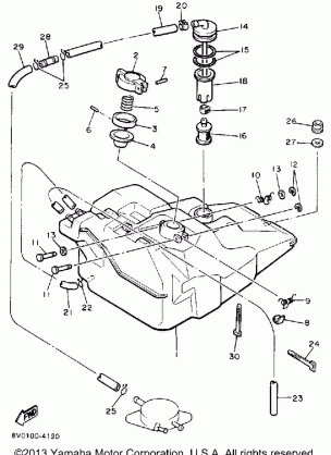
- FUEL TANK
- GENERATOR
- GUARD - LUGGAGE BOX
- HEADLIGHT
- INSTRUMENT PANEL
- METER
- OIL PUMP
- OIL TANK
- PRIMARY SHEAVE
- PUMP DRIVE - GEAR
- SEAT
- SECONDARY SHEAVE
- SHAFT - 5 SUSPENSION IMPROVEMENT
- SHROUD - WINDSHIELD
- SKI
- SPEEDOMETER - GEAR UNIT
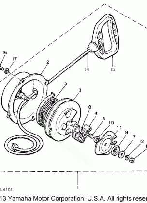
- STARTER
- STARTING MOTOR
- STEERING
- STEERING GATE
- TAILLIGHT
- TRACK DRIVE 1
- TRACK DRIVE 2
- TRACK SUSPENSION 1
- TRACK SUSPENSION 2
