| № | Наименование | Примечание | Кол-во |
|---|---|---|---|
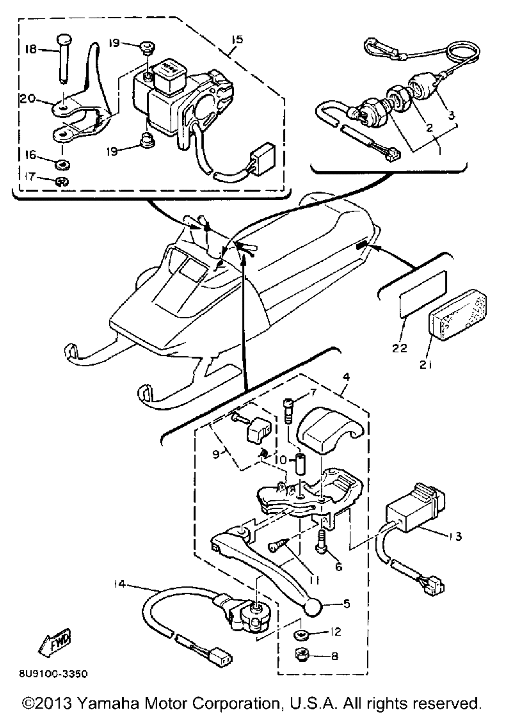
| 1 | STOP SWITCH ASY | 1 | |
| 2 | NUT | 1 | |
| 3 | CAPSWITCH | 1 | |
| 4 | LEVER HOLDER ASY L (LEFT) | 1 | |
| 5 | LEVER L | 1 | |
| 6 | . .SCREW PAN HEAD | 2 | |
| 7 | SCREW PAN HEAD | 1 | |
| 8 | NUT FLANGE (4GB) | 1 | |
| 9 | LEVER LOCK ASSY | 1 | |
| 10 | COLLARLEVER 1 | 1 | |
| 11 | SCREWTAPPING | 2 | |
| 12 | WASHER (5 per pack) | 1 | |
| 13 | BEAM SWITCH ASY | 1 | |
| 14 | STOP SWITCH ASSY | 1 | |
| 15 | CABLETHROTTLE 1 | 1 | |
| 15 | PUMP CABLE ASY | 1 | |
| 15 | LEVER HOLDER ASY 2 (RIGHT) | 1 | |
| 15 | LEVER HOLDER ASSYR | 1 | |
| 16 | WASHER | 1 | |
| 17 | CLIP | 1 | |
| 18 | CAP 1 | 1 | |
| 20 | LEVER THROTTLE | 1 | |
| 21 | REAR REFLECTOR ASY | 2 | |
| 22 | TAPEREFLECTOR | 2 |
