| № | Наименование | Примечание | Кол-во |
|---|---|---|---|
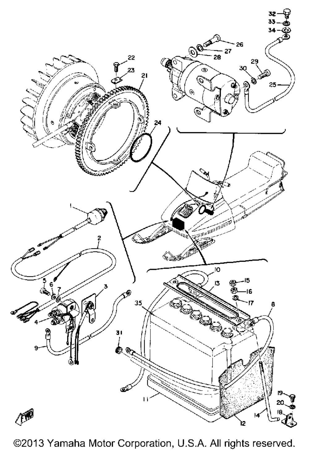
| 5 | SCREW PAN | 2 | |
| 6 | WASHER (5 per pack) | 2 | |
| 7 | WASHER (5 per pack) | 2 | |
| 10 | WIREMINUS LEAD | 1 | |
| 11 | SEATBATTERY | 1 | |
| 12 | SEALBATTERY | 1 | |
| 15 | NUT | 2 | |
| 16 | NUT (5 per pack) | 2 | |
| 19 | BOLT HEXAGON | 4 | |
| 20 | WASHERSPRING (5 per pack) | 4 | |
| 26 | SCREWSPEC'L SHAPE | 2 | |
| 27 | WASHERSPRING (5 per pack) | 2 | |
| 29 | SCREW PAN HEAD (92501-08020) | 2 | |
| 30 | WASHERSPRING | 2 | |
| 31 | GROMMET | 1 | |
| 32 | BOLT HEXAGON | 1 | |
| 33 | WASHERSPRING (5 per pack) | 1 | |
| 34 | WASHERPLATE | 1 |
